楼宇自动化节能方案优质供应商
发表时间: 2024-04-19 13:22:33
作者: 广州瑞晶贤力信息科技有限公司
浏览:
实验室VAV系统 快速风阀执行器 快速风门执行器

带弹簧复位的阻尼器执行器,7牛米。适用于两点(开/关)或0…10V控制信号。
✓扭矩 7 牛米
✓ 弹簧复位
✓ 最大阻尼 1.5 米
✓ 特殊版本带辅助开关
✓ 24V 和 230V 供电电压
✓ 2 点(开/关)或 0(2)-10V 控制
✓ 手动超控
应用:弹簧复位执行器用于通风和空调设备,以作空气阻尼器和空气节流阀。执行器可用于最大 1.5 m 2 的风门区域,并且与摩擦无关。它们还可用于通风部分,在停电期间,执行器必须移动到零位置,即紧急位置.
功能:当接通电源电压时,执行器移动到与控制信号对应的工作位置(2 点或 0...10 V)。在电源故障或工作电压关闭时,弹簧复位将执行器移动到其机械零位。风门执行器是可调节的,也可以手动调节。安装 执行器安装在安装支架上。仔细选择位置,以便于接触电缆和设置元件。要使扭矩加倍,请将两个执行器安装在同一个阻尼器上,即串联安装。安装时,根据必要的旋转方向将致动器旋转 180°。安装在阻尼器轴上需要安装支架(参见尺寸)。螺栓插入外壳的深度必须足够且有保证。轴适配器和所有其他单独的部件没有预装,因为执行器组件根据阻尼器轴的顺时针或逆时针旋转和阻尼器轴长度的不同组装方式.
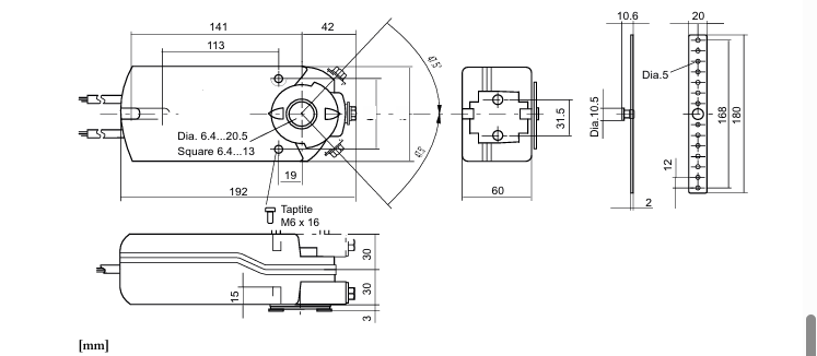
尺寸:
布线: